• トップ
  • 商品を探す
  • カテゴリ一覧
  • 会社概要
  • お問い合わせ
  • ログイン
  • 利用者登録申請
注文・見積時 支払い方法 御指示下さい  
お振込み・カード決済いずれか備考欄に御記入下さい。
【備考欄未記入の場合、お振込みでの案内となります。】
いらっしゃいませ!
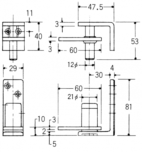
JW0258-01LW

グレビティヒンジ

商品コード
JW0258-01LW
材質
ステンレス
色・仕上げ
ロストワックス
kg以下
20
Note
JW0258-01LWは本体 左右、内開、外開兼用タイプ、他は上記専用サポート
標準価格(単価、税別): ¥6,100
【備考】
せり上がり式のヒンジです。扉の重量で戻ります。
●特長:静かに閉まります。バネを使わずこわれません。
    きしむ音がありません。ヒンジが見えません。
●左右、内開、外開兼用タイプです。

サイズ

  • 図面
  • 写真

JW0258の他の商品

商品 材質 サイズ 定価(単価) 単位
shohins 1369
sat,sun
  • 2025-12-20
  • 2025-12-27
  • 2025-12-29
  • 2025-12-30
  • 2025-12-31
  • 2026-01-01
  • 2026-01-02
  • 2026-01-12
/customer/