品番で検索:
注文・見積時 支払い方法 御指示下さい
お振込み・カード決済いずれか備考欄に御記入下さい。
【備考欄未記入の場合、お振込みでの案内となります。】
いらっしゃいませ!
商品検索
>
JI0106 2段階ボルト面付シリンダー錠
>
JI0106-01NI
シリンダー錠805型 Ni
商品コード
JI0106-01NI
材質
ダイカスト
色・仕上げ
ニッケル
標準価格(単価、税別):
¥1,680
【備考】
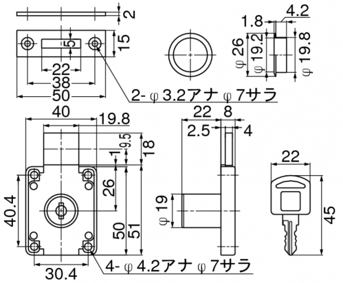
板厚:22mm
シリンダー径:19φ
鍵違い数:100通り可能
付属キー:2本付
御注文の際は、同番、別番ご指定下さい。
※DP-03(3mm厚)・DP-05(5mm)厚のスペーサーが使えます。
ご入用の際は、合わせてご指示ください。
利用者登録・ログインしますと、御見積・御注文等、便利にご利用頂けます。
関連カテゴリ
家具金物
>
シリンダー錠前(JI)
>
面付シリンダー錠(JI)
サイズ
図面
JI0106 2段階ボルト面付シリンダー錠の他の商品
商品
材質
色
サイズ
定価(単価)
単位
関連商品
shohins
502
選択中の商品
商品
数量
操作
見積依頼・注文
カタログを作成
お気に入りに追加
検索を続ける
全カテゴリ一覧
産業機器金物
ホテル マンション...
木質フローリング材
不燃認定建材
家具金物
建具金物
建築金物
現場必需品
テープ・ボンド・養生材
ガラス金物
別注制作金物
店舗陳列金物
マンション金物・個...
トイレ浴室金物
介護福祉・手摺金物
一般家庭金物
防災・防犯・セキュリティ
学校 幼稚園 病院...
ロイヤル
前に見た商品
SPP-20-550㎜-ゴールド
硝子ロックカムセット G-4 本金
ロイヤル B-232 L400...
YDロック(ロング) Cr 同鍵...
アジャスター クローム/樹脂 ...
sat,sun
2025-12-06
2025-12-13
2025-12-20
2025-12-27
2025-12-29
2025-12-30
2025-12-31
2026-01-01
2026-01-02
2026-01-12
代理店・特約店メーカー
(みやすくカテゴリー分けしています)
ヨコヅナ
メタルクリエイト
トラスコ中山
内外
水上
サンコーインダストリー
荒川技研
日動工業
二加屋
杉田エース
RYOBI
河淳
日本電子工業
シロクマ
アシスト
ベスト
GK(野口ハードウェア)
ホンダロック
ジョープリンス竹下
スリーナインシマノ
メーカー一覧
代理店・特約店
取扱いメーカー リンク集
/customer/