
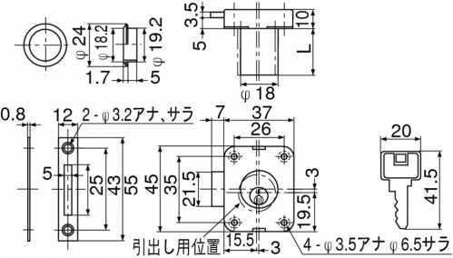
商品コード |
JI0105-02WB-01 |
---|---|
材質 |
真鍮 |
色・仕上げ |
ニッケル
|
商品 | 材質 | 色 | サイズ | 定価(単価) | 単位 | ||
---|---|---|---|---|---|---|---|
JI0105-01WB-01
|
真鍮 | ニッケル | ¥3,240 | 個 | |||