• トップ
  • 商品を探す
  • カテゴリ一覧
  • 会社概要
  • お問い合わせ
  • ログイン
  • 利用者登録申請
注文・見積時 支払い方法 御指示下さい  
お振込み・カード決済いずれか備考欄に御記入下さい。
【備考欄未記入の場合、お振込みでの案内となります。】
いらっしゃいませ!
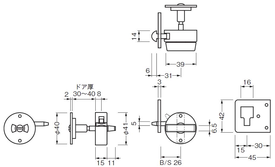
BE-615

引戸用丸型表示錠

商品コード
615
材質
黄銅
色・仕上げ
サテンクローム
用   途 
一般住宅用室内引戸
取付ネジ 
皿木ネジ3.1×22mm・3.5×32mm
標準価格(単価、税別): ¥10,560
【備考】
※ 左右勝手により、レバーハンドルの操作が逆になります。 また、受の向きも上下逆になります。

サイズ

バックセット
ド ア 厚
26 mm 30~40 mm
  • 商品画像1

615の他の商品

商品 材質 サイズ 定価(単価) 単位
shohins 6617
sat,sun
  • 2025-12-30
  • 2025-12-31
  • 2026-01-01
  • 2026-01-02
  • 2026-01-12
/customer/