• トップ
  • 商品を探す
  • カテゴリ一覧
  • 会社概要
  • お問い合わせ
  • ログイン
  • 利用者登録申請
注文・見積時 支払い方法 御指示下さい  
お振込み・カード決済いずれか備考欄に御記入下さい。
【備考欄未記入の場合、お振込みでの案内となります。】
いらっしゃいませ!
BE-2212W-1

シリンダー本締錠

商品コード
2212W
材質
黄銅
色・仕上げ
サテンクローム
シリンダー
6本ピン
キーシステム
同一キー、マスターキー、グランドマスターキー、コンストラクションキー
ファンクション
G、K、S、W
標準価格(単価、税別): ¥16,400
【備考】
・シリンダーねじ込み方式
 ドア面よりシリンダーの出が少なくすっきりします。(8~10mm)
  ※機能記号W(両面シリンダー錠)の場合は13mm程度になります。
 シュラーゲ社製のシリンダー装着可能です。
・高耐荷重のデッドボルト機能付
 デッドボルトの突出し寸法が20mm。
 厚さ2mm鋼板によるケースとバックプレートの一体構造により強度実現。
 押込み荷重テスト        10000N
 側圧荷重テスト          6000N
   [1N(ニュートン)=約0.1kg]
 施錠・解錠繰返し試験       30万回
 ラッチボルトの開閉繰返し試験   10万回
・デッドボルト切断防止機能付
 デッドボルト内部に焼入鋼ピンを内蔵し、切断はほとんど不可能です。

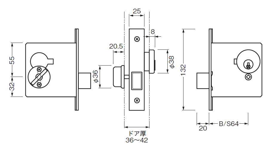
サイズ

バックセット
ド ア 厚
64 mm 36~42 mm
  • 商品画像
  • 図面
  • ファンクション一覧

2212Wの他の商品

商品 材質 サイズ 定価(単価) 単位
黄銅 黄銅磨き
バックセット
ド ア 厚
¥15,700
64mm
36~42mm
黄銅 古代ブロンズ
バックセット
ド ア 厚
¥16,400
64mm
36~42mm
shohins 6206

前に見た商品

sat,sun
  • 2025-12-30
  • 2025-12-31
  • 2026-01-01
  • 2026-01-02
  • 2026-01-12
/customer/